汽車制造
產品概述
product description
查看大圖
產品特點
Features穩定的速度、優越的精度,HSR-JH605采用華數新一代的控制器及示教器,卓越的運動控制配合大范圍空間的設計,在對焊縫質量有較高的焊接應用,具有高可靠性和優異的性價比;
強勁有力、性能優異,采用中空型結構手臂,手臂重量輕便、結構緊湊,在狹小空間作業有效消除焊槍電纜與工件和周邊設備干涉、更容易保證焊槍的姿態和提高送絲穩定性;簡單使用、輕松編程,提供人性化、高效簡潔、符合國人使用習慣的中文焊接工藝包,專業的團隊打造屬于國人的漢語機器人,降低使用要求,并且可提供專業的可定制化的服務,讓無焊接經驗的初學者也能輕松上手,大幅提高效率降低人工成本;
優質服務、高效售后,可提供遠程訪問監視實時查看機器人運行狀態讓故障解決于無形;
-
專業的焊接團隊提供專業的焊接技術支持;全國分布6大公司數十個支持點,提供全天24小時的優質服務。
應用領域:弧焊、涂膠、搬運。
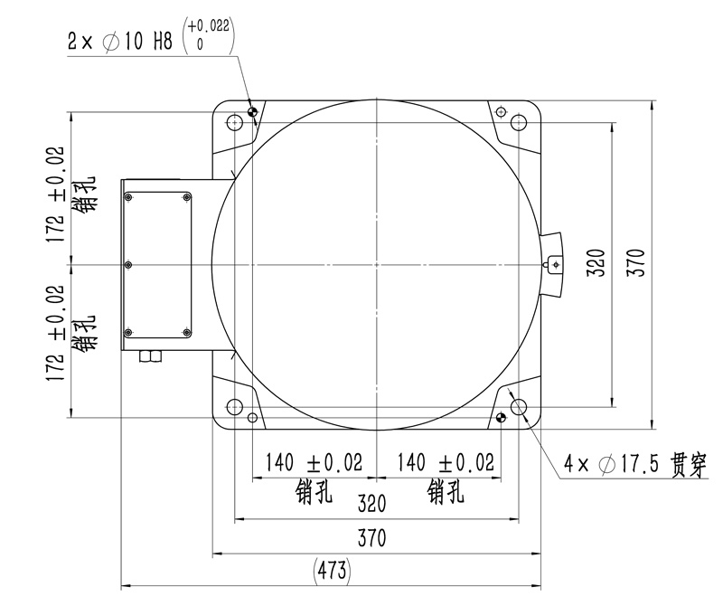
產品參數
Product parameters| 工業機器人 | HSR-JH605 | |
| 自由度 | 6 | |
| 最大負載 | 5Kg | |
| 最大工作半徑 | 1441mm | |
| 重復定位精度 | ±0.06mm | |
| 運動范圍 | J1 | ±150° |
| J2 | -145°/+60° | |
| J3 | +30°/+270° | |
| J4 | ±120° | |
| J5 | ?-110°/+140° | |
| J6 | ±360° | |
| 額定速度 | J1 | 2.58rad/s,148°/s |
| J2 | 2.58rad/s,148°/s | |
| J3 | 2.58rad/s,148°/s | |
| J4 | 3.93rad/s,225°/s | |
| J5 | 3.93rad/s,225°/s | |
| J6 | 3.93rad/s,225°/s | |
| 最高速度 | J1 | 3.87rad/s,222°/s |
| J2 | 3.87rad/s,222°/s | |
| J3 | 3.87rad/s,222°/s | |
| J4 | 5.89rad/s,337.5°/s | |
| J5 | 5.89rad/s,337.5°/s | |
| J6 | 5.89rad/s,337.5°/s | |
| 容許慣性矩 | J6 | 0.035kg.m2 |
| J5 | 0.3 kg.m2 | |
| J4 | 0.3 kg.m2 | |
| 容許扭矩 | J6 | 15 N·m |
| J5 | 35 N·m | |
| J4 | 35 N·m | |
| 適用環境 | 溫度 | 0~45° |
| 濕度 | 20%~80% | |
| 其他 | 避免與易燃易爆或腐蝕性氣體、液體接觸,遠離電子噪聲源(等離子) | |
| 示教器線纜長度 | 8米 | |
| 本體-柜體連接線長度 | 5米 | |
| I/O參數 | 數字量:32輸入,31輸出(控制柜故障指示燈輸出占用1) | |
| 本體預留信號線 | 無 | |
| 預留氣路 | 無 | |
| 電源容量 | 2.5kVA | |
| 額定功率 | 2kW | |
| 額定電壓 | 單相AC220V? 50HZ | |
| 額定電流 | 10.8A | |
| 本體防護等級 | IP50 | |
| 安裝方式 | 地面安裝、倒掛安裝、側掛安裝 | |
| 本體重量 | 196kg | |
| 控制柜防護等級 | IP50(本體) | |
| 控制柜重量 | 50kg | |
| 控制柜尺寸 | 640mm(寬)*460mm(厚)*620mm(高)-立式 | |
應用案例
Application Cases


